Welcome to Zhenjiang Haicheng Machinery Manufacturing Co., Ltd. official website!
Tell:18913433240 中文版  丨  英文版

flexible coupling

Tell:0511-85783292
Fax:0511-85019680(自动接收)
Mobile:18913433240
E-mail:1803877936@qq.com
Add:No. 68, High-tech Development Zone, Zhenjiang City, Jiangsu Province Service

flexible coupling

LZZ elastic pin coupling with brake wheel

Time:18-09-29

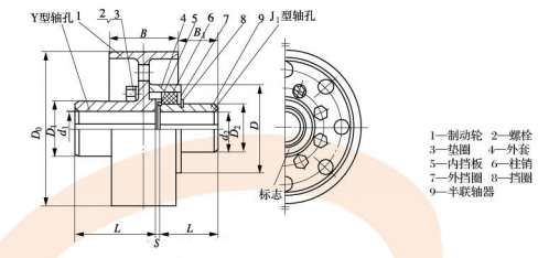
ZLL type with brake wheel elastic pin pin gear coupling referred to as "elastic pin pin gear coupling" through the elastic pin to transmit torque to achieve two and a half coupling connection, with a certain axis offset compensation ability and Shock absorption performance, can replace part of the gear coupling. ZLL type with brake wheel elastic pin gear coupling is simpler in structure and fewer components, making it easier to manufacture and without gear machining. ZLL type with brake wheel elastic pin gear coupling is a kind of pin coupling, made according to (GB/T5015-2003) standard; working temperature is -20 ~ 70 °C; axial allowable compensation It is: ±1.5~3mm; the radial allowable compensation is 0.3~1.5mm; the angular allowable compensation is 0.5°.
  ZLL type elastic pin with brake wheel elastic pin gear coupling is turned by nylon rod, so it is also called nylon pin gear coupling. Nylon pin is self-lubricating material without lubrication, dismantling The lower baffle can be replaced. The nylon pin is placed in the matching hole between the two coupling halves and the outer ring. The coupling transmits the torque through the pin. The ZLL type brake wheel elastic pin gear coupling transmits the nominal torque. 250~31500N.m; the allowable speed is 4000~950r/min; it is a high torque and low speed coupling.

  ZLL type with brake wheel elastic pin gear coupling is the same as ZL type elastic pin gear coupling. The difference is that ZLL type adds a steel brake wheel to the original ZL type. Controlling the brake wheel adjusts the speed of the coupling.

Zhenjiang Haicheng Machinery Manufacturing Co., Ltd.
© Haicheng Group All rights reserved.
             Address: No. 68, High-tech Development Zone, Zhenjiang City, Jiangsu Province   Service Hotline:18913433240
             Company Tel: 0511-85783292   Company Fax:0511-85019680 (automatic reception)

Copyright © Zhenjiang Haicheng Machinery Manufacturing Co., Ltd. All Rights Reserved .