|
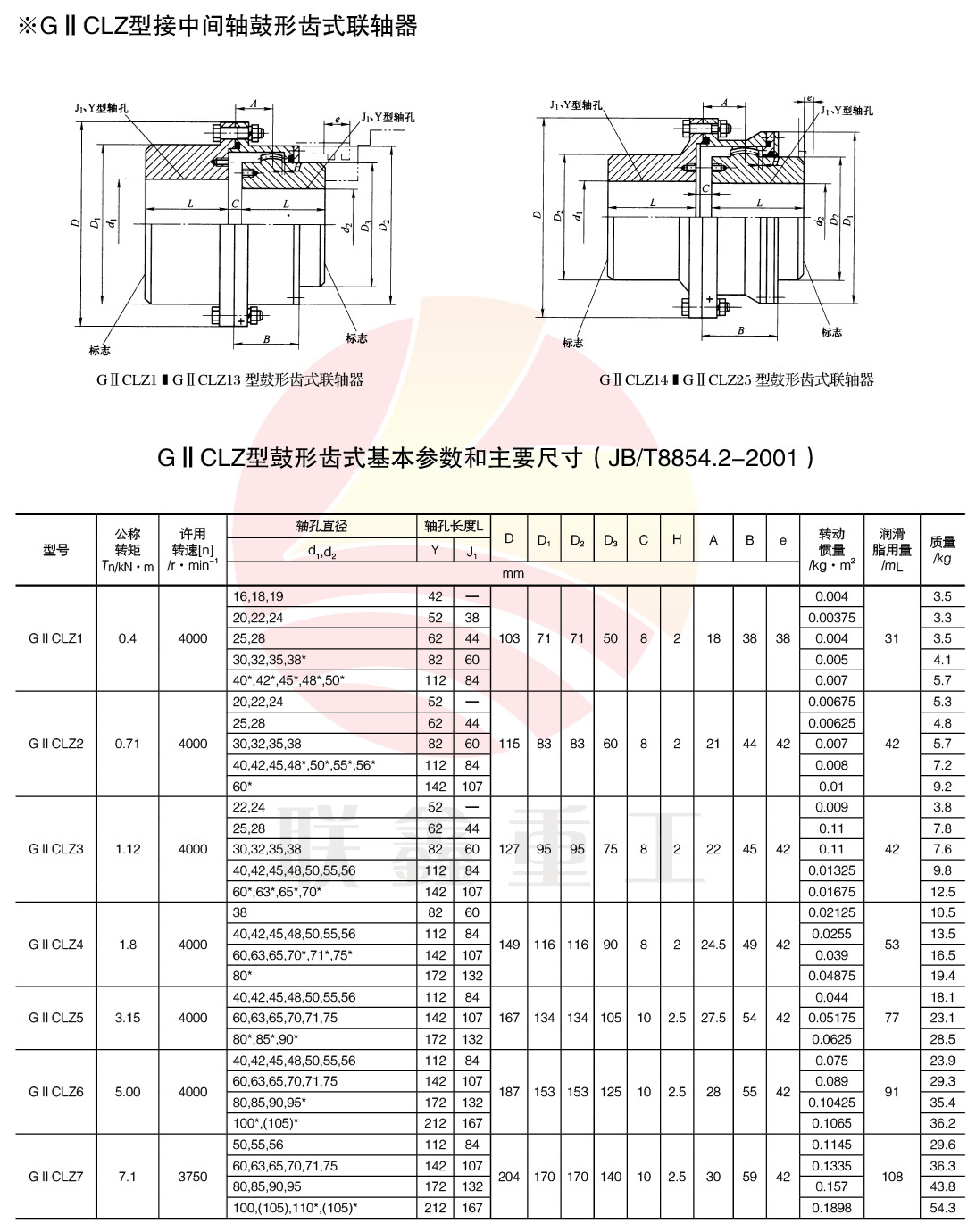
GIICLZ型鼓形齿式联轴器 特点及应用场合:具有少量轴线偏移补偿性能,不能缓冲、减振。外形尺寸小,理论上传递转矩大,需要润滑、密封,但噪声较大、价格贵,用于联接水平两同轴线轴系传动。用于低速、重载工况条件下联接水平两同轴线,如冶金机械、重型机械等。不适用于高速、高精度的轴系传动,起动频繁、正反转多变的工况不宜采用。
GICL型--基本型(宽型);
GIICL型--基本型(窄型);
GICLZ型--中间轴型(宽型);
GIICLZ型--中间轴型(窄型);
GICL、GIICL型,用于两轴端直接联接;
GICLZ、GILZ型,用于两轴长距离联接;
GCLD型--电机轴伸型,用于电机轴伸联接;
![]() ![]() |



